Purpose
I wanted to create an autoclicker that is not a software app. The problem with these apps is that they are usually not allowed on multiplayer games. So the concept is to create a physical autoclicker by modding a computer mouse.Essentially, the left mouse button is an open switch; when clicked it is closed. So closing the switch with a circuit will output a click. A circuit that closes many times a second will create the auto clicker effect needed. Simple as pie.
Materials
Get:A USB mouse
some 24 gage wire
PNP transistor
10k potentiometer
10k resistor
Push button switch
555 timer
100nF capacitor
100uF capacitor (electrolytic)
10uF capacitor (electrolytic)
Procedure
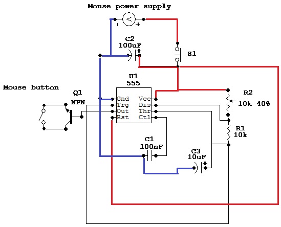
First thing is first, the circuit. Using a 555 timer chip build a prototype astable circuit. Build the circuit described here at the mechano website or follow the schematic below.![]()  | 
| Astable mouse circuit | 
Laslty, find the power of you mouse, It could either be where the battery is or if it is a usb mouse look for a colorful array of wires and find the correct two using a multimeter. You will know the two correct ones either by the markings on the mouse or by getting a +3v to +5v reading on the multimeter. Connect your circuit's positive lead to the positive and the negative to the negative.
One more touch, connect a push button switch From the power to the circuit. This make sure that autoclicking only happens when the button is pressed.
Comments
This circuit works for more than just a mouse. It can work for any circuit where a you need a switch to be closed. So for example, you want a camera to take pictures after a certain interval, or you want a paintball gun to fire automatically.Also, in case you do not want, or do not have access to the mouse's power you can replace the PNP transistor with an OPTOisolator. It will isolate the clicker circuit from the mouse's circuit (kind of like a relay) so that the clicker circuit can run on its own power supply.

good work
ReplyDeleteDo you want best Auto clicking software ? I suggest check review 1st. it can be hard to choose these days online.
ReplyDelete